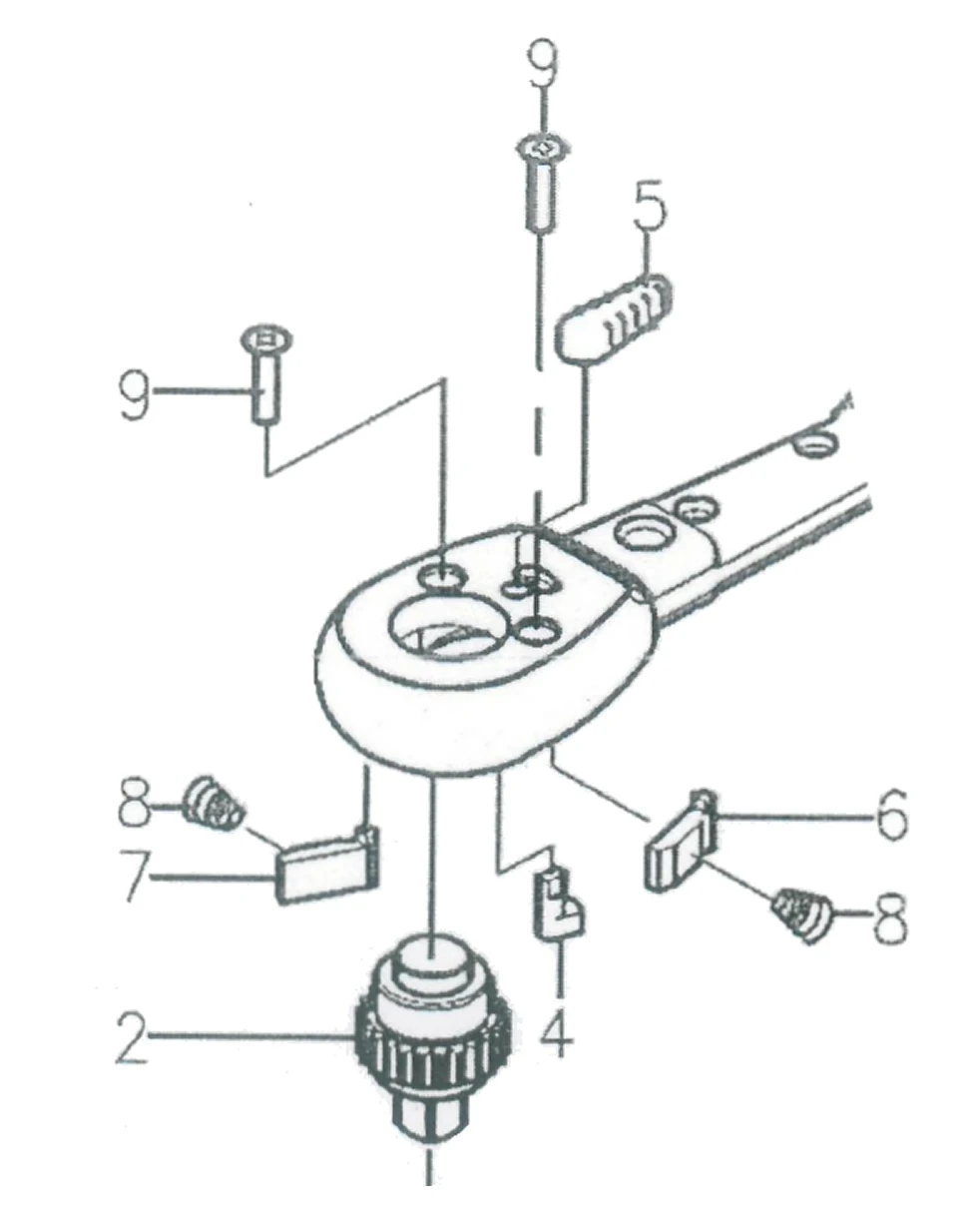
PROXXON 23354-56A Reparatursatz zu Drehmomentschlüssel MC320 ab 2019 ab SN 20xxx Beschreibung: Reparatursatz für den PROXXON 23354 Drehmomentschlüssel MC320 für die Ausführung ab Baujahr 2019 ab Seriennummer 20xxx Kopfhöhe: 41mm (siehe Bild 2 und Hinweise weiter unten) enthält alle Verschleißteile, die im Kopf des Drehmomentschlüssels verbaut sind Lieferumfang: 1 x Treibrad mit Auswurfknopf mit Vierkant 12,5mm (1/2") Kopfhöhe 41mm 2 x Schrauben 1 x Hebel Rechts/ Linksumstellung 1 x Umwerfer 2 x Sperrklinke 2 x Feder Wichtiger HINWEIS – bitte vor dem Kauf prüfen! dieser Satz ist für die Seriennumer ab 20xxx (ab Baujahr 2019) Messen Sie VOR dem Kauf die Kopfhöhe am vorhandenen Drehmomentschlüssel (siehe Bild 2) Wenn er 41mm beträgt, ist dies der richtige Rep. Satz Wenn er weniger als 41mm beträgt ist diese der falsche Rep. Satz – dann PROXXON 23554-02a bestellen sonstige Hinweise: nur als Satz lieferbar wir können keine einzelnen Teile aus dem Satz liefern nur für angegebenen PROXXON Drehmomentschlüssel passend – NICHT für andere Drehmomentschlüssel passend!
-30%
PROXXON 23354-56A Reparatursatz Zu Drehmomentschlüssel MC320 Ab 2019 Ab SN 20xxx
Ursprünglicher Preis war: 39,99 €27,99 €Aktueller Preis ist: 27,99 €.
- Hochwertige Ware
- schnelle Lieferung
- Rückgabe ohne Angabe von Gründen
- Hochwertige Produkte, problemlose Rückgabe.
















Rezensionen
Es gibt noch keine Rezensionen.